Заказать пропуск
Цилиндрический коаксиальный разъём компании ACIT (by POL-SUN) PY01.00.250.CLAC31 (LEMO FFA.00.250.CLAC31) c системой фиксации PUSH-PULL.
Компания ACIT (by POL-SUN) была основана в 1987 году. С 2005 года поставляет цилиндрические разъемы на рынки Европы и Америки, а с 2010 года осуществляет поставки на рынок РФ, как недорогая альтернатива LEMO, ODU, FISСHER. За это время была освоено производство разъемов с сигнальными контактами, коаксиальной контактной группой, разъемы с защитой IP-68. Подробно...
Цилиндрические разъёмы с механизмом фиксации(защелка) выпускают многие производители ЕВРОПЫ. Основной отличительной чертой такого разъема является удобная и привлекательная форма, хромирование, золоченые контакты, прочный диэлектрик на 5000 соединений. Всем этим требованиям отвечает коаксиальный разъём компании ACIT (by POL-SUN) PY01.00.250.CLAC31 (FFA00250CLAC31).

Небольшие габариты, классическая цилиндрическая форма с нанесенными рисками на корпусе, износостойкий диэлектрик и система фиксации PUSH-PULL позволяет претендовать на пристальное внимание Инженеров-конструкторов и применение в мобильных и стационарных приложениях.
Конструкция защелки PUSH-PULL

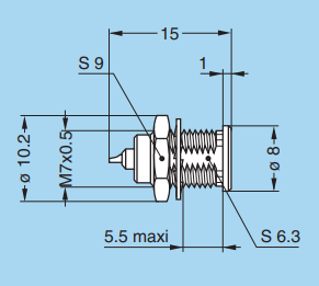
Габариты
Краткое описание:
Покрытие контакта — Золото; Рабочая температура — -55 ~ +220; Рабочее напряжение — 600В; Номинальный ток — Ø0.7мм - 7A; Ø0.9мм - 10A; Сопротивление контактов — <6mΩ; Сопротивление изоляции — >10TΩ; IP стандарт — 50; Выносливость/износостойкость, циклы — 5000; Вибрации, пиковое ударное ускорение — 10-2000Гц, 15г; Механический удар, пиковое ударное ускорение — 100г, 6мс; Salt-spray тест — >48ч; Влажность — 95% при 60°C.
История и опыт применения показывает, что разъёмы ACIT (by POL-SUN) соответствует современным требованиям по передаче сигнала, надежности и стойкости к механическим воздействиям.
Основные преимущества:
1. Недорогая цена;
2. Отработанные технологии производства;
3. Качественные материалы;
4. Складские запасы или короткий срок поставки;
5. Соответствие параметрам и идентичность с известными производителями;
6. Золоченые контакты;
7. Возможность закупки промышленных партий и пробных образцов;
8. Корпуса изготавливаются из пластика, никелированной латуни, нержавеющей и хромированной стали;
9. Производство разъёма по вашему ТЗ.
Полный ассортимент поставляемых соединителей представлен следующими сериями:
- серии B, K, S– соединители являются полными аналогами разъемов LEMO. Имеют надёжную, прочную, в тоже время быстросъемную систему сочленения Push-Pull;
- серия 2PM – полные аналоги российских круглых разъёмов 2РМ, производятся в соответствии с российскими стандартами;
- серия FQ – круглые герметичные разъёмы имеют отличную пыле- и влагозащищенность, а также надёжное, лёгкое и быстросъёмное байонетное сочленение разъёмов;
- серия KP2G – разъёмы этой серии имеют надёжное резьбовое соединение, низкое сопротивление контактов, пыле- и влагозащищенность IP65 и являются функциональными аналогами российских разёмов 2РМ и 2РМГ;
- серия P– аналоги российских круглых разъёмов ШР. Предназначены для использования в электрических цепях переменного и постоянного токов с напряжением до 850В;
- серия PC – аналоги российских разъёмов РС-серии, производятся в соответствии с российскими стандартами;
- серия Q – круглые разъёмы Q-серии имеют малые габариты, облегченный вес и быструю байонетную систему сочленения/расчленения;
- серия PY07 – водонепроницаемые пластиковые соединители;
- серия С091D – водонепроницаемые, металлические цилиндрические соединители с резьбовым сочленением. Метод монтажа контактов — пайка или обжим;
- серия X – круглые разъёмы X-серии, являются аналогами российских негерметичных разъемов ОНЦ-РГ-09.
Конструктивные особенности:
- Быстрое подключение/отключение – кабель-кабель, кабель-плата, кабель-панель;
- Легкие, износоустойчивые быстроразъемные соединители;
- Большой выбор серий, типоразмеров и конфигураций контактов;
- Универсальная комплектность;
- Быстроразъёмное байонетное поляризованное соединение с защелкой от вибрации;
- Вилочная и розеточная части предназначены для сигнальных/силовых контактов или их комбинаций, что позволяет расширить универсальность применения;
- Доступны версии со степенью защиты IP67.
Производство продукции сертифицировано по стандарту ISO 9001 и широко используется во многих странах мира в таких областях, как авиация, средства связи, источники питания, транспортных средствах, в различной радиоэлектронной аппаратуре.
В заключение можно сказать, что компания ACIT (by POL-SUN) постоянно совершенствует свои продукты, предлагая самые современные решения в различных областях, где требуется обеспечить надежное и качественное соединение.
5 сентября 2018 г.
