Заказать пропуск
217B-BC01 USB 3.1 Type-C разъем от компании ATTEND для устройств интернет вещей
Известный Азиатский производитель разъёмов ATTEND расширил семейство USB разъёмов линейкой Type C, соединителей обеспечивающих надежную связь IoT в носимых устройствах и стационарных высокоскоростных приложениях ввода\вывода данных.
Разъёмы USB Type-C компании ATTEND созданы для подключения как к периферийным устройствам, так и к компьютерам, заменяя различные разъёмы и кабели типов A и B предыдущих стандартов USB, и предоставляя возможности расширения в будущем.
Используя USB Type-С вы применяете единственный тип кабеля для любого устройства интернет вещей.
Подробное описание: USB-C 217B-BC01 DATA-SHEET.

К примеру, используя кабель USB Type-C, можно подключать по своей сути разные устройства, накопители, дисплеи, планшетными ПК, USB тестер, считывающие устройства, интеллектуальные счетчики, измерительные и исполнительные устройства, и даже массив из SSD-дисков.
Любое устройство интернета вещей имеет конкретное назначение, заключающееся в контроле каких-либо параметров и выполнении определенных действий. Например, электросчетчик по своему основному предназначению, должен измерять напряжение и ток в сети, и на основании этих данных вычислять мощность и количество потребленной энергии. Кроме этого c помощью разъема USB-C в число контролируемых параметров может входить: температура, атмосферное давление, влажность и другие характеристики окружающей среды.
Технические характеристики:

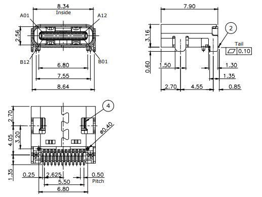
Габаритный чертеж:

Основные преимущества:
- многофункциональность;
- минимальные габариты;
- возможность автоматического монтажа;
- взаимозаменяемость по производителю;
- не высокая стоимость;
- благодаря расширенному нижнему температурному порогу -55 ~ +85 °C разъём может применяться в северных широтах Российской Федерации. (конкуренты -30 +85)
- материал диэлектрика: Высокотемпературный нейлон;
- золоченые контакты.
Главное достоинство разъема USB Type-C от компании ATTEND:
- он является симметричным.
Исполнителю больше не придется думать о том, с какой стороны получится вставить штекер в гнездо. Ранее такое свойство разъема было большим преимуществом продукции компании Apple, а теперь оно становится доступным для применения не только в бытовых, но и в промышленных приложениях. Этот кабель можно вставлять любой стороной т.е. интуитивное или лучше сказать «слепое» соединение.
Области применения:
- электронные часы;
- различные контроллеры;
- зарядные устройства;
- системы контроля доступа;
- осциллографы;
- системы очистки воздуха;
- терминалы оплаты;
- банкоматы;
- медицинские приборы;
- датчики.
Применение USB-C для проектирования новых приложений создает новые возможности для разработчиков электроники, так и для конечных потребителей.
Доступны, пробные образцы и промышленные партии.
Другие разъемы USB-C 3.1 Type C:
Посмотреть подробнее
28 августа 2018 г.
